Tda1085c Ile çamaşır Makinesi Motoru Yüksek Torklu Hız Kontrol Devresi

Başlıkta da belirttiğim gibi çamaşır makinesi motorunu torklu çalıştırmak istiyorum.
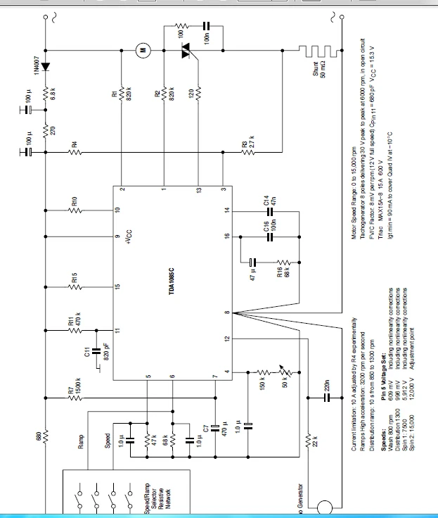
Tda1085c ile çamaşır makinesi motoru yüksek torklu hız kontrol devresi. Kampanyalı ve indirimli fiyatlarla satın al. Bu motorun torkunu kaybetmeden devir kontrolü için yine çamaşır makinesi kontrol kartını buldum. Triyak ile yapılan alternatif akım motor hız kontrolü gölge kutuplu motor üniversal motor gibi bir fazlı asenkron motorlarda uygulanır. Bunun için dimmer devresi kullandım olmadı tork sıfır hız kontrolü var sadece.
Pot ekleyerek devir kontrolü yapıldığını gördüm ama detaylı bilgi yok. İnternette bu başlığı açmadan önce araştırma yaptık ve speed kontrol diye bir sürücü kartı buldum çinden getirttim. Triyak kısa devre olduğunda motor yüksek devirde çalışır. Motor hız kontrol devresi modelleri motor hız kontrol devresi özellikleri ve markaları en uygun fiyatları ile gittigidiyor da.
Yıkamada sıkma şikayeti ile karşılaşılır. Hız kontrol modülü ile motor prensip bağlantısı olası arıza neden ve sonuçları. Ac220v 50 60hz nominal güç. Bu konu hakkında bilgisi olan arkadaşlardan yardım beklerim.
Bu karta yapılan birkaç değişiklik ile yapılabiliyormuş. çamaşır makinesi motoru hız kontrol devresi. çamaşır makinesi motoru kontrol devresi 1085c entegreli yanıt 178 15 mayıs 2020 13 48 25 merhaba ustalar eski profilo makinadan söktüğüm böyle bir kart var bunu uçlarını bulup trimpot bağlayıp motoru çalıştırabilirmiyim f n yazan yerdeki ucun birisi motora gidiyor direk kabloların en sağındaki iki kablo takoya. 400w ac 220v motor hız kontrol kontol devresi dimmer güç kaynağı.
çamaşır makinesi kazan düşme sonrası motor sorunu. Bir projede kullanmak için çamaşır makinesi motoru buldum. 2200w çamaşır makinesi motoru 850w dimmer. 400w hız kontrolü sürücü cihazlar için ambalaj matbaa gıda elektronik tıbbi malzeme giyim sanayi üretim hattı için uygundur.
Hız kontrol modülündeki triyak açık devre olduğunda motor çalışmaz.